- IAR Debug Probes
- I-jet Trace
- Technical specifications
- Adapters I-jet Trace
Adapters I-jet Trace
These adapters are described in detail:
The ADA-MIPI20-MICTOR adapter
The ADA-MICTOR-MIPI60 adapter
The ADA-MIPI20-RISCV24 adapter
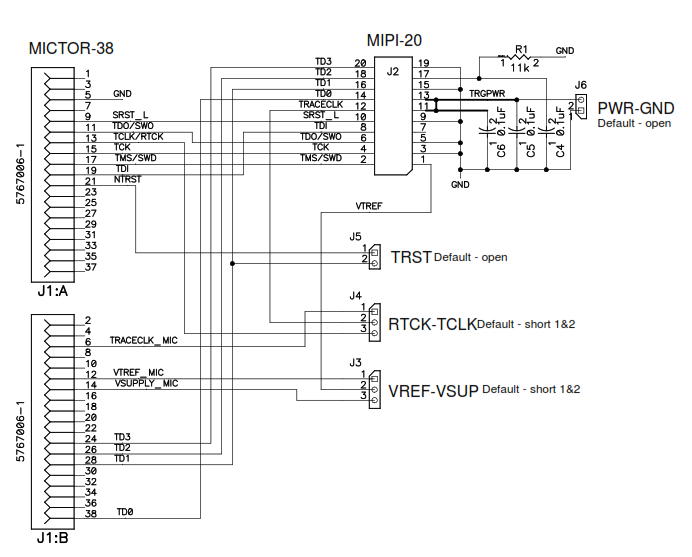
The ADA-MIPI20-MICTOR adapter converts the I-jet Trace CM standard MIPI-20 cable pinout to the high-speed Mictor 38-pin trace connector used on some target boards.
The adapter has the MIPI-20 male header on top for connecting the I-jet Trace CM MIPI-20 cable and the Mictor-style male header that straddles the edge of the PCB. This Mictor connector (AMP/Tyco 576006-1) mates with target boards with a female Mictor connector with pitch size 0.025 in (0.064 mm). You can, for example, use AMP/Tyco 5767054-1. These connectors are keyed to prevent incorrect insertion.


Signal | Pin | Pin | Signal |
|---|---|---|---|
1 | 2 | ||
3 | 4 | ||
GND | 5 | 6 | TRACECLK |
7 | 8 | ||
nSRST | 9 | 10 | |
TDO | 11 | 12 | VTREF |
RTCK* | 13 | 14 | VSUPPLY |
TCK | 15 | 16 | |
TMS | 17 | 18 | |
TDI | 19 | 20 | |
nTSRST* | 21 | 22 | |
23 | 24 | TD[3] | |
25 | 26 | TD[2] | |
27 | 28 | TD[1] | |
29 | 30 | ||
31 | 32 | ||
33 | 34 | ||
35 | 36 | ||
37 | 38 | TD[0] |
* The function of these pins is determined by the jumpers on the adapter.
The ADA-MICTOR-MIPI60 adapter converts the I-jet Trace A/R/M standard Mictor-38 pinout to the MIPI-60 trace connector used on some target boards.The adapter has the Mictor-38 female connector on top for connecting the I-jet Trace A/R/M and the MIPI-60-style male header on the bottom.
This MIPI-60 connector (Samtec QTH-030-01-F-D-A) mates with target boards with a female MIPI-60 connector with the pitch size 0.5 mm (0.19 in). You can, for example, use Samtec QSH-030-01-F-D-A. These connectors are keyed to prevent incorrect insertion.


Signal | Pin | Pin | Signal |
|---|---|---|---|
VREF DEBUG | 1 | 2 | TMS |
TCK | 3 | 4 | TDO |
TDI | 5 | 6 | nSRST |
RTCK | 7 | 8 | |
nTRST | 9 | 10 | DBGRQ |
DBGACK | 11 | 12 | VREF TRACE |
TRACECLK | 13 | 14 | |
GND | 15 | 16 | GND |
TRACECTL | 17 | 18 | |
TRACEDATA[00] | 19 | 20 | |
TRACEDATA[01] | 21 | 22 | |
TRACEDATA[02] | 23 | 24 | |
TRACEDATA[03] | 25 | 26 | |
TRACEDATA[04] | 27 | 28 | |
TRACEDATA[05] | 29 | 30 | |
TRACEDATA[06] | 31 | 32 | |
TRACEDATA[07] | 33 | 34 | |
TRACEDATA[08] | 35 | 36 | |
TRACEDATA[09] | 37 | 38 | |
TRACEDATA[10] | 39 | 40 | |
TRACEDATA[11] | 41 | 42 | |
TRACEDATA[12] | 43 | 44 | |
TRACEDATA[13] | 45 | 46 | |
TRACEDATA[14] | 47 | 48 | |
TRACEDATA[15] | 49 | 50 | |
51 | 52 | ||
53 | 54 | ||
55 | 56 | ||
GND | 57 | 58 | GND |
GND | 59 | 60 |
The ADA-MIPI20-RISCV24 adapter converts the I-jet Trace CM standard MIPI-20 cable pinout to two Digilent Pmod connectors.




